KK86D與KK86的區別:
臺灣上銀KK86D線性模組是KK86的升級版。與KK86的區別,軸徑增大了2mm,其他尺寸不變,升級版KK86D直線模組更經久耐用,不易斷軸。
|
特點: 設計及安裝容易體積小重量輕 高精度 高剛性 配備齊全 最適化設計
|
應用:
FPD產業
|
上銀KK86D線性模組精密等級:
單位 mm
|
型號 |
軌道長度 |
定位重現性 |
定位精度 |
行走平行度 |
最大扭矩(N-cm) |
||||
|
精密級 |
一般級 |
精密級 |
一般級 |
精密級 |
一般級 |
精密級 |
一般級 |
||
|
KK86D |
340/440/540/640 |
±0.003 |
±0.01 |
0.025 |
-- |
0.015 |
-- |
15 |
10 |
|
740 |
±0.003 |
±0.01 |
0.030 |
-- |
0.020 |
-- |
17 |
10 |
|
|
940 |
-- |
±0.01 |
-- |
-- |
-- |
-- |
-- |
-- |
|
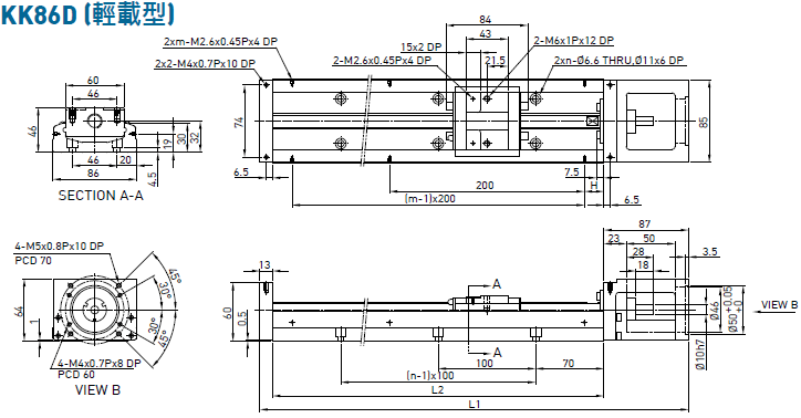
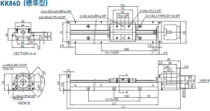
型號含義:
上銀KK86D直線模組規格型號:
|
軌道長度L2 (mm) |
全長L1 (mm) |
最大行程(mm) |
H(mm) |
n |
m |
重量(mm) |
||
|
A1滑座 |
A2滑座 |
A1滑座 |
A2滑座 |
|||||
|
340 |
440 |
210 |
100 |
70 |
3 |
2 |
5.7 |
6.5 |
|
440 |
540 |
310 |
200 |
20 |
4 |
3 |
6.9 |
7.7 |
|
540 |
640 |
410 |
300 |
70 |
5 |
3 |
8.0 |
8.8 |
|
640 |
740 |
510 |
400 |
20 |
6 |
4 |
9.2 |
10.0 |
|
740 |
840 |
610 |
500 |
70 |
7 |
4 |
10.4 |
11.2 |
|
940 |
1040 |
810 |
700 |
70 |
9 |
5 |
11.6 |
12.4 |

|
軌道長度L2 (mm) |
全長L1 (mm) |
最大行程(mm) |
H(mm) |
n |
m |
重量(mm) |
||
|
S1滑座 |
S2滑座 |
S1滑座 |
S2滑座 |
|||||
|
340 |
440 |
246 |
170 |
70 |
3 |
2 |
6.3 |
7.1 |
|
440 |
540 |
346
|
270 |
20 |
4 |
3 |
7.6 |
8.4 |
|
540 |
640 |
|
370 |
70 |
5 |
3 |
8.8 |
9.6 |
|
640 |
740 |
546
|
470 |
20 |
6 |
4 |
10.1 |
11.1 |
|
740 |
840 |
646
|
570 |
70 |
7 |
4 |
11.4 |
12.2 |
|
940 |
1040 |
846
|
770 |
70 |
9 |
5 |
12.8 |
13.6 |
上銀HIWIN模組也稱小型機械手、單軸機械手、電動滑臺、精密滑臺,具有維修方便,可靠性高、指令系統簡單、編程簡便易學、易于掌握、體積小、維修工作少、現場接口安裝方便等一系列的優點。